万花丛论坛官网入口

商務接待惠臨廣州的智商電子設備很大公司中國官網,人們心細為您做事,寰宇做事熱線電話:13531822098,聽候您的來電顯示!
智能科技 力主將來
世上征求服務電話:

13531822098

產物展現

收費表征求熱線電話13531822098

接洽咱們

智力電子無限公司
微 信:13531822098
Q   Q:735229478
E-Mail:735229478@qq.com
網 址: www_qiongtai188_com.nlzncz.cn
中山智力電子裝備無限公司
德律風:0760-22229108
地點:中山市小欖鎮同興西路2號
湖南智力機電無限公司
德律風:+86-736-3297058
傳真:+86-736-3297058
地點:湖南省常德市澧縣立異創業園A6棟

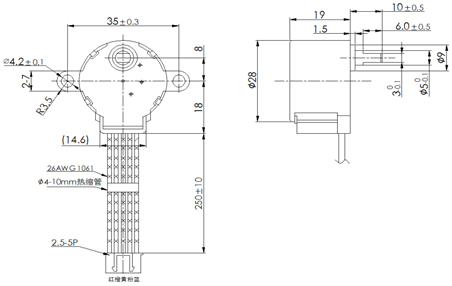
28BYJ48->步進機電

產物尺寸PRODUCT SIZE

Model

Rated Voltage

(DCV)

ResistanceΩ

/Phace

(at25℃)

MaxFreeload

Pull-in

Frequency

(PPS)

MaxFreeload

Pull-out

Frequency

(PPS)

Pull-in Torque

(mN.m)

Operation Frequency

(PPS)

Detent Frequency

(PPS)

Tempera-turePise

(K)

Noise

(dB)

StepAngle

(1-2phase)

Insulation

Class

28BYJ48 12 200 ≥500 ≥900 ≥44 100 ≥29.4 ≤40 ≤35 5.625/64 E
28BYJ48 5 21 ≥500 ≥900 ≥29.4 100 ≥29.4 ≤40 ≤35 5.625/64 E

利用規模APPLICATION RANGE

空調、監控器、舞臺燈光、智能馬桶、醫療機器等.

高清在線qq客服
微旌旗燈號:13531822098


二維碼

掃一掃,手機網站

分享